
應用領域
◆ 鐵路系統 ◆ 鐵路通信 ◆ 數據互換 ◆ 電力系統
產品性能
|
輸入電壓 Vdc |
2:1或4:1 |
|
輸出電壓精度 % |
Vo1:±1 |
|
Vo2:±3 |
|
|
負載調整率 % |
Vo1:±0.5 |
|
Vo2:±4.0 |
|
|
電壓調整率 % |
Vo1:±0.2 |
|
Vo2:±1.5 |
|
|
動態響應 |
±4%Vo/400us |
|
紋波/噪聲(mV) |
Vo≤5Vdc:50 |
|
Other:100 |
|
|
工作殼溫 |
-40℃ - +100℃ |
|
開關頻率KHz |
300 |
|
短路保護 |
長期短路自恢復 |
|
隔離耐壓 |
輸入-輸出:1500Vdc(Vin:24Vdc) |
|
輸入-輸出:2250Vdc(Vin:110Vdc) |
|
|
輸入-殼:1500Vdc(Vin:24Vdc) |
|
|
輸入-殼:2250Vdc(Vin:110Vdc) |
|
|
輸出與殼:500Vdc |
|
|
MTBF |
3×105 |
|
安規要求 |
GB 9254-2008 |
產品選型
|
型號 |
輸入電壓Vdc |
輸出電壓Vdc |
輸出電流A |
效率% |
容性能力UF |
|
WDT10-24S5 |
18-36 |
5.05 |
2 |
80 |
2200 |
|
WDT10-24S12 |
12 |
0.83 |
83 |
470 |
|
|
WDT10-24S15 |
15 |
0.67 |
83 |
470 |
|
|
WDT10-24S24 |
24 |
0.42 |
84 |
220 |
|
|
WDT10-110S5 |
66-160 |
5.05 |
2 |
81 |
2200 |
|
WDT10-110S12 |
12 |
0.83 |
84 |
470 |
|
|
WDT10-110S15 |
15 |
0.67 |
84 |
470 |
|
|
WDT10-110S24 |
24 |
0.42 |
85 |
220 |
|
|
WDT10-24D5 |
18-36 |
+5.05/-5.05 |
+1/-1 |
81 |
2200/2200 |
|
WDT10-24D12 |
+12/-12 |
+0.42/-0.42 |
83 |
470/470 |
|
|
WDT10-24D15 |
+15/-15 |
+0.34/-0.34 |
83 |
470/470 |
|
|
WDT10-110D5 |
66-160 |
+5.05/-5.05 |
+1/-1 |
81 |
2200/2200 |
|
WDT10-110D12 |
+12/-12 |
+0.42/-0.42 |
83 |
470/470 |
|
|
WDT10-110D15 |
+15/-15 |
+0.34/-0.34 |
83 |
470/470 |
|
|
WDT16-24S5 |
18-36 |
5.05 |
3 |
82 |
2200 |
|
WDT16-24S12 |
12 |
1.25 |
84 |
1000 |
|
|
WDT16-24S15 |
15 |
1 |
84 |
470 |
|
|
WDT16-24S24 |
24 |
0.63 |
85 |
470 |
|
|
WDT16-24D5 |
18-36 |
+5.05/-5.05 |
+1.5/-1.5 |
81 |
2200/2200 |
|
WDT16-24D12 |
+12/-12 |
+0.63/-0.63 |
83 |
470/470 |
|
|
WDT16-24D15 |
+15/-15 |
+0.5/-0.5 |
83 |
470/470 |
|
|
WDT16-110S5 |
66-160 |
5.05 |
3.2 |
82 |
2200 |
|
WDT16-110S12 |
12 |
1.25 |
84 |
1000 |
|
|
WDT16-110S15 |
15 |
1 |
84 |
470 |
|
|
WDT16-110S24 |
24 |
0.63 |
86 |
470 |
|
|
WDT16-24D5 |
66-160 |
+5.05/-5.05 |
+1.5/-1.5 |
81 |
2200/2200 |
|
WDT16-110D12 |
+12/-12 |
+0.67/-0.67 |
83 |
470/470 |
|
|
WDT16-110D15 |
+15/-15 |
+0.53/-0.53 |
83 |
470/470 |
注1:此系列有兩倍電壓輸入和四倍電壓輸入可選,尾綴加W表示寬壓輸入。
注2: 滿足安規要求需要外圍電路,詳見產品單頁說明書。


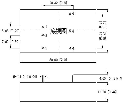
外形尺寸

管腳定義
|
管腳 |
功能(單路) |
描述(單路) |
功能(單路) |
描述(雙路) |
|
1 |
+Vin |
輸入正 |
+Vin |
輸入正 |
|
2 |
-Vin |
輸入負 |
-Vin |
輸入負 |
|
3 |
NP |
無此管腳 |
NP |
無此管腳 |
|
4 |
-Vo |
輸出負 |
Vo2 |
2路輸出 |
|
5 |
NP |
無此管腳 |
COM |
公共端 |
|
6 |
+Vo |
輸出正 |
Vo1 |
1路輸出 |
北京穩固得設計制造AC/DC、DC/DC、DC/AC電源模塊,模塊化開關電源變換器,工程師擁有多年從事電力電子開發經驗。模塊電源產品在技術及品質上具備較強的競爭優勢,廣泛應用于郵電通信設備、基站及用戶電源系統、監控系統、鐵路信號、電力系統、醫療設備、儀器儀表、工業自動化控制及航空航天、軍工等領域。 公司通過了ISO 9001-2008版國際質量體系認證以及GJ B軍工質量體系認證。主流標準系列產品通過了CE、TUV、UL、CB、ROHS等測試認證。請撥打400-800-9005電話,我們將盡快安排專業的人員聯系您。