
產品中心應用領域
◆ 軍事裝備 ◆ 通信系統 ◆ 船艦、車載系統 ◆計算機系統
產品性能
|
輸入電壓 Vdc |
9-36 |
|
遙控特性 (正邏輯) |
遙控端接-Vin或低電平,禁止輸出 |
|
遙控端懸空或接高電平,正常工作 |
|
|
遙控特性 (負邏輯,尾綴/P) |
遙控端接-Vin或低電平,正常工作 |
|
遙控端懸空或接高電平,禁止輸出 |
|
|
輸出電壓精度 % |
±1 |
|
電壓調節 %Vo |
±10 |
|
負載調整率 % |
±0.5 |
|
電壓調整率 % |
±0.2 |
|
動態響應 (過沖/恢復時間) |
±4%Vo/400us |
|
紋波/噪聲(mV) |
Vo≤5Vdc:50 |
|
5Vdc<Vo≤24Vdc:150 |
|
|
Vo>24Vdc:300 |
|
|
工作殼溫 |
-40℃ - +100℃ |
|
開關頻率KHz |
300 |
|
短路保護 |
長期短路自恢復 |
|
隔離耐壓 |
輸入-輸出:1500Vdc |
|
輸入-殼:1050Vdc |
|
|
輸出-殼:500Vdc |
|
|
MTBF |
3×105 |
|
安規要求 |
GB 9254-2008 |
產品選型
|
型號 |
輸入電壓 Vdc |
輸出電壓 Vdc |
輸出電流 A |
效率 % |
容性能力 UF |
|
WDFJ200-24S12 |
18-36 W:9-36 |
12 |
16.7 |
89 |
2200 |
|
WDFJ200-24S15 |
15 |
13.3 |
89 |
2200 |
|
|
WDFJ200-24S24 |
24 |
8.3 |
90 |
1000 |
|
|
WDFJ200-24S28 |
28 |
7.1 |
90 |
1000 |
|
|
WDFJ300-24S12 |
18-36 |
12 |
25 |
88 |
2200 |
|
WDFJ300-24S15 |
15 |
20 |
88 |
2200 |
|
|
WDFJ300-24S24 |
24 |
12.5 |
89 |
1000 |
|
|
WDFJ300-24S28 |
28 |
11 |
89 |
1000 |
|
|
WDFJ400-24S12 |
12 |
33.3 |
88 |
2200 |
|
|
WDFJ400-24S15 |
15 |
26.7 |
88 |
2200 |
|
|
WDFJ400-24S24 |
24 |
16.7 |
89 |
1000 |
|
|
WDFJ400-24S28 |
28 |
14.3 |
89 |
1000 |
注1:除特殊指定外,所有參數測試條件為:標稱輸入電壓、純阻性標稱負載和25°C室溫環境。
注2:此系列有兩倍電壓輸入和四倍電壓輸入可選,尾綴加W表示寬壓輸入。
注3:輸入電壓9-□Vdc,啟動電壓是9.5-□Vdc。
注4:滿足安規要求需要外圍電路,詳見產品單頁說明書。
|
軍用常規產品命名規則 |
||
|
例如:WD25-24S12 G注① A注② |
||
|
質量等級注① |
||
|
D級 |
工業級篩選 |
|
|
G級 |
普通軍級產品 |
|
|
H級 |
軍級產品 |
|
|
K級 |
航天級產品 |
|
|
溫度等級注② |
工作殼溫℃ |
工作環溫℃ |
|
A級 |
-40 - +95 |
-40 - +55 |
|
B級 |
-40 - +95 |
-40 - +70 |
|
C級 |
-55 - +95 |
-55 - +70 |
|
D級 |
-40 - +105 |
-40 - +85 |
|
E級 |
-55 - +105 |
-55 - +85 |
|
F級 |
為客戶特殊定制溫度范圍 |
|
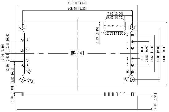
外型尺寸

A封裝

B封裝
管腳定義
|
管腳 |
1 |
2 |
3 |
|
功能 |
-Vin |
CASE |
CNT |
|
描述 |
輸入負 |
接殼端 |
遙控端 |
|
管腳 |
4 |
5 |
6 |
|
功能 |
+Vin |
+Vo |
+S |
|
描述 |
輸入正 |
輸出正 |
正補償 |
|
管腳 |
7 |
8 |
9 |
|
功能 |
TRIM |
-S |
-Vo |
|
描述 |
輸出調節端 |
負補償 |
輸出負 |
A封裝
|
管腳 |
1 |
2 |
3 |
|
功能 |
-Vin |
+Vin |
-CNT |
|
描述 |
輸入負 |
輸入正 |
遙控負 |
|
管腳 |
4 |
5、6、7 |
8、9、10 |
|
功能 |
+CNT |
GND |
+Vo |
|
描述 |
遙控正 |
輸出地 |
輸出正 |
|
管腳 |
11、12、13 |
14 |
15 |
|
功能 |
NC |
TRIM |
+S |
|
描述 |
空管腳 |
輸出調節端 |
正補償 |
|
管腳 |
16 |
|
|
|
功能 |
-S |
|
|
|
描述 |
負補償 |
|
|
B封裝
北京穩固得設計制造AC/DC、DC/DC、DC/AC電源模塊,模塊化開關電源變換器,工程師擁有多年從事電力電子開發經驗。模塊電源產品在技術及品質上具備較強的競爭優勢,廣泛應用于郵電通信設備、基站及用戶電源系統、監控系統、鐵路信號、電力系統、醫療設備、儀器儀表、工業自動化控制及航空航天、軍工等領域。 公司通過了ISO 9001-2008版國際質量體系認證以及GJ B軍工質量體系認證。主流標準系列產品通過了CE、TUV、UL、CB、ROHS等測試認證。請撥打400-800-9005電話,我們將盡快安排專業的人員聯系您。