
產品中心應用領域
◆ 電信 ◆ 數據互換 ◆ 電力系統 ◆ 計算機系統
產品性能
|
輸入電壓 Vdc |
18-75 |
|
遙控特性 |
遙控端接-Vin或低電平,禁止輸出 |
|
遙控端懸空或接高電平,正常工作 |
|
|
遙控特性 |
遙控端接-Vin或低電平,正常工作 |
|
遙控端懸空或接高電平,禁止輸出 |
|
|
輸出電壓精度 % |
±1 |
|
電壓調節 %Vo |
±10 |
|
負載調整率 % |
±0.5 |
|
電壓調整率 % |
±0.3 |
|
動態響應 |
±4%Vo/400us |
|
紋波/噪聲(mV) |
Vo≤5Vdc:50 |
|
Vo≥12Vdc:150 |
|
|
工作殼溫 |
-40℃ - +100℃ |
|
開關頻率KHz |
300 |
|
短路保護 |
長期短路自恢復 |
|
隔離耐壓 |
輸入-輸出:1500Vdc |
|
輸入-殼:1500Vac |
|
|
輸出-殼:500Vdc |
|
|
MTBF |
2×106 |
|
安規要求 |
GB 9254-2008 |
產品選型
|
型號 |
輸入電壓Vdc |
輸出電壓Vdc |
輸出電流A |
效率% |
容性能力UF |
|
WDE50-48S3V3 |
36-75 |
3.3 |
10 |
88 |
10000 |
|
WDE50-48S5 |
5 |
10 |
92 |
10000 |
|
|
WDE50-48S12W |
18-75 |
12 |
4.2 |
89 |
1000 |
|
WDE75-48S5W |
5 |
15 |
92 |
10000 |
|
|
WDE75-48S12 |
36-75 |
12 |
6.25 |
92 |
2200 |
|
WDE100-48S1V8 |
1.8 |
20 |
88 |
10000 |
|
|
WDE100-48S2V5 |
2.5 |
20 |
90 |
10000 |
|
|
WDE100-48S3V3 |
3.3 |
20 |
91 |
10000 |
|
|
WDE100-48S5 |
5 |
20 |
93 |
10000 |
|
|
WDE125-24S3V3 |
18-36 |
3.3 |
25 |
91 |
10000 |
|
WDE125-48S1V8 |
36-75 |
1.8 |
25 |
85 |
10000 |
|
WDE125-48S2V5 |
2.5 |
25 |
91 |
10000 |
|
|
WDE125-48S3V3 |
3.3 |
25 |
91 |
10000 |
|
|
WDE125-48S5 |
5 |
25 |
92 |
10000 |
注1:此產品需要輔助散熱措施。
注2:滿足安規要求需要外圍電路,詳見產品單頁說明書。
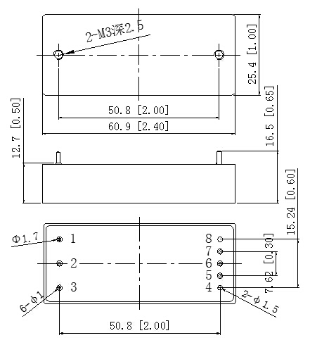
外型尺寸

管腳定義
|
管腳 |
描述 |
|
1 |
輸入負 |
|
2 |
遙控端 |
|
3 |
輸入正 |
|
4 |
輸出正 |
|
5 |
正補償 |
|
6 |
輸出調節端 |
|
7 |
負補償 |
|
8 |
輸出負 |
北京穩固得設計制造AC/DC、DC/DC、DC/AC電源模塊,模塊化開關電源變換器,工程師擁有多年從事電力電子開發經驗。模塊電源產品在技術及品質上具備較強的競爭優勢,廣泛應用于郵電通信設備、基站及用戶電源系統、監控系統、鐵路信號、電力系統、醫療設備、儀器儀表、工業自動化控制及航空航天、軍工等領域。 公司通過了ISO 9001-2008版國際質量體系認證以及GJ B軍工質量體系認證。主流標準系列產品通過了CE、TUV、UL、CB、ROHS等測試認證。請撥打400-800-9005電話,我們將盡快安排專業的人員聯系您。